- 产品分类
- 联系方式
- 地址:
湖北省广水市应山工业园区腾飞路888号 电话: 0722-6255777 手机: 15327580518(马经理) 15172777111(罗经理) 传真:0722-6256556 邮箱:dele@dlfzx.net QQ:
-
当前位置
:首页 >
产品总汇 > 真空断路器 -
ZW32-12M户外永磁真空断路器
- 产品详情
1 概述
ZW32-12型永磁真空断路器采用了特别设计的永磁机构和高可靠性的MGK智能控制器构成。该装置主要应用于中压架空线电网,作为分,合负荷电流,过载电流,短路电流之用,并具有0~3次自动重合闸。
u 较高的可靠性
u 在整个寿命期间免维护
u 具有高机械寿命和电寿命
u 整机体积小,重量轻,便于安装
u 具有标准继电保护和快速自动重合闸功能
1.1 使用条件
¨ 周围空气温度:-30℃~ 60℃;
¨ 海拔高度:不超过2000米;
¨ 风速不超过34m/s;
¨ 来自开关设备和控制设备外部的振动或地动是可以忽略的;
¨ 污秽等级:Ⅳ级;
¨ 储存温度-40℃~ 85℃。
1.2 技术参数序 号
项 目
单 位
数 值
1
额定电压
kV
12
2
额定电流
A
630或1250
3
额定频率
Hz
50
4
工频耐压1min
kV
42
5
雷电冲击耐受电流(峰值)相间,对地/断口
kV
75
6
额定短路开断电流
kA
16/20/25
7
额定短路关合电流(峰值)
kA
50
8
额定峰值耐受电流
kA
50
9
4S短时耐受电流
kA
20
10
额定操作循环
分-0.1s-合分-6s-合分-6s合分-60s恢复
11
额定短路电流开断次数
次
30
12
机械寿命
次
30000
13
永磁机构控制电压
V
DC220
断路器的主要机械参数
序 号
参数名称
单 位
数 据
1
触头开距
mm
9±1
2
触头超行程
mm
2.5±0.5
3
分闸速度
m/s
1.2±0.2
4
合闸速度
m/s
0.6±0.2
5
触头合闸弹跳时间
ms
≤2
6
相间中心距离
mm
340±1.5
7
三相分合闸不同期性
ms
≤2
8
各相导电回路电阻
μΩ
带隔离<120,不带隔离<80
9
合闸时间
ms
25~60
10
分闸时间
ms
20~45
11
重量
Kg
约120
控制器主要技术指标
电
磁
兼
容
特
性
绝缘电阻
≥10MΩ
绝缘强度
2.5kV
电压突降和中断
100%,0.5s IEC 1000-4-1
高频干扰
串模
1.5kVP IEC 60870-2-2:1996
共模
2.5kVP IEC 60870-2-2:1996
瞬变脉冲群
4.0kVP,1min IEC 60870-2-2:1996
浪涌干扰
4.0kVP,1min IEC 60870-2-2:1996
静电放电
8kV IEC 60870-2-2:1996
工频磁场
100A/m IEC 1000-4-8
阻尼震荡
100A/m IEC 1000-4-8
冲击电压
5kV,1.2/50μs IEC 60870-2-2:1996
电
源
工作电源
AC220V
功耗
≤10W
频率
50Hz或60Hz
额
定
值
电流互感器
5A,功耗<1.0VA/相
电压互感器
220V,功耗<0.5VA/相
频率
50Hz或60Hz
保护性能参数
速断保护范围
(20%~2000%)ⅹIn 连续可调,分辨率0.01A
过流保护范围
(20%~2000%)ⅹIn 连续可调,分辨率0.01A
过流保护延时
0s~99.99s 连续可调,分辨率0.01s
重合闸次数
0~3次 可自由设置重合次数
重合闸间隔
0s~999.9s 连续可调,分辨率0.1s
防护等级
不锈钢户外壳体
不低于IP55
平均无故障时间
MTBF
不低于80,000h
2 断路器结构及工作原理
ZW32-12型真空永磁断路器主要由集成固封极柱,电流互感器,永磁操动机构及箱体组成。该型号断路器为小型化设计,外壳采用优良不锈钢箱体。同时配有手动紧急分闸装置。隔离开关和电流互感器可根据用户需要选择。
ZW32-12型永磁真空断路器的控制由配套的智能控制单元完成。可就地实现开关分合闸操作,也可以通过通信接口由远方遥控操作。断路器的其他信息也可以传输到控制中心,通信通道可以选择电缆,光纤,GPRS/CDMA,GSM等。
智能控制单元接近断路器安装,通过控制电缆与断路器连接。智能控制单元的电源分主备供电,主电源为AC或DC 220V,由高压线路经PT取得;后备电源由蓄电池提供(安装于智能控制单元箱内)。当正常工作时主电源对后备电源充电;当主电源失去时,由后备电源供电,仍可完成对断路器的控制以及控制单元内的其他操作,后备电源(满载时)可维持整机不小于48小时工作。
断路器操动机构中设有手动紧急分闸把手,作为控制系统或电源故障时紧急分闸操作之用
ZW32-12/D断路器内部结构原理图
1:永磁机构;2:手动分闸转轮;3:驱动扁钢;4:辅助开关;5:分闸弹簧
6:壳体;7:绝缘拉杆;8:下绝缘筒;9:软连接;10:上绝缘筒;11:真空灭弧室
断路器的工作原理与过程
灭弧原理:ZW32-12型真空永磁断路器采用真空灭弧室,以真空作为灭弧和绝缘介质,具有较高的真空度。当动,静触头在操动机构作用下带电分闸时,在触头间将会产生真空电弧,同时,由于触头的特别结构,在触头的间隙中也会产生适当的纵向磁场,促使真空电弧保持为扩散型,并使电弧均匀地分布在触头表面燃烧,维持低的电弧电压,在电流自然过零时,残留的离子,电子和金属蒸汽在微秒数量级的时间内就可复合或凝聚在触头表面和屏蔽罩上,灭弧室断口的介质绝缘强度很快被恢复,从而电弧被熄灭达到分断的目的。由于采用纵向磁场控制真空电弧,所以真空断路器具有强而稳定的开断电流能力。
储能:ZW32-12型真空永磁断路器分合闸能量储存在高性能电容器中,电容器安装于智能控制器单元箱体内。分合闸时由电容器瞬时放电提供能量。电容器充电能量由控制单元的主电源或后备电源提供,充电时间不大于10s,电容电压误差≤1V。
合闸操作:本地按动智能控制单元上的合闸按钮,或者通过远方遥控合闸操作,激励操动机构的合闸线圈,使铁芯驱动断路器动触头按规定速度合闸。判断出断路器已处在合闸位置时,控制回路自动将合闸线圈电源断开,此时铁芯由于永久磁铁的作用保持在合闸侧,在合闸线圈断电后,它不仅能够克服断路器触头弹簧的反作用力,而且还具有合闸自保持力,使断路器可靠地保持在合闸位置。
分闸操作:本地按动智能控制单元上的分闸按钮,或者通过远方遥控分闸操作,激励操动机构的分闸线圈,克服合闸侧永久磁铁的自保持力的同时使分闸弹簧拉动铁芯驱动断路器动触头按规定速度分闸。判断出断路器已处在分闸位置时,控制回路自动将分闸线圈电源断开,此时铁芯由于分闸弹簧拉力的作用保持在分闸侧,使断路器可靠地保持在分闸位置。
手动紧急分闸操作:断路器在合闸位置,用绝缘操作棒钩住断路器手动分闸操作把柄上的拉环,并向下拉动,断路器即可分闸,并且仍具有一定的分闸速度,可保证断路器能可靠地开断额定负荷电流。
断路器外形安装尺寸图
含CT,含隔离外形尺寸图
特别注意:隔离开关合分位置不到位情况下严禁断路器本体合分操作
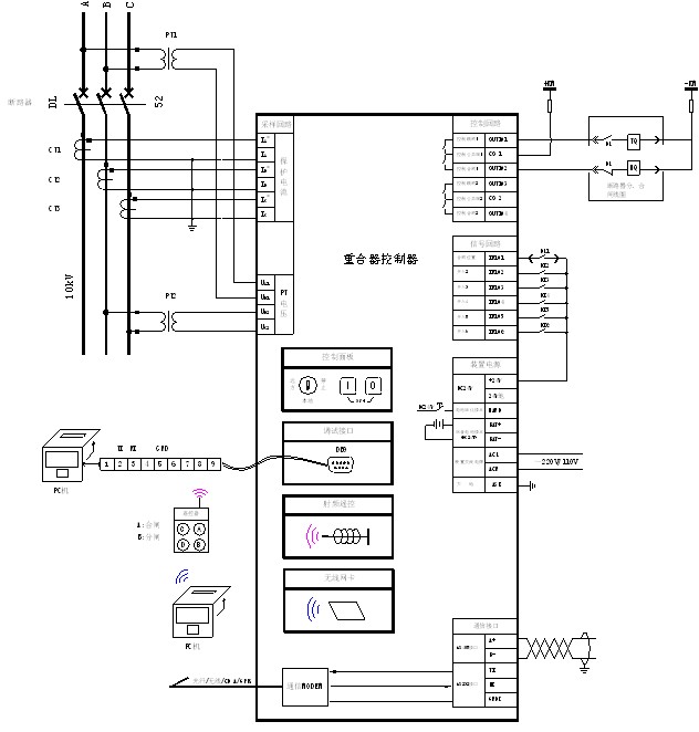
3 智能控制单元
MGK智能控制单元是专为中压永磁开关设计的户外型控制器。能方便的配合柱上永磁开关实现分,合闸管理,线路保护功能以及自动重合闸功能。控制器接近断路器安装,作为永磁开关的电子操作和智能保护器使用。
¨ 永磁机构的分,合闸操作
¨ 线路保护功能
¨ 自动重合闸
¨ 与控制中心的通信功能
¨ 各部件的不停电电源
¨ 开关位置检测
¨ 系统电量测量
¨ 遥控功能
¨ 无线数据传输(选配)
¨ 历史操作存盘
3.1 断路器分,合闸管理
¨ 通过控制器操作面板本地控制分,合闸
¨ 远方通信遥控操作断路器分,合闸
¨ 手持遥控器控制断路器分,合闸(30米内有效)
¨ 通过GSM手机短信控制分,合闸
3.2 线路保护功能
¨ 速断保护(相对相)
保护范围0.2In~20In 步长0.01A
时间范围0s~600.00s 步长0.01s
In为二次侧额定电流,通常选择1A或5A
¨ 定时限过流保护(相对相)
保护范围0.2In~20In 步长0.01A
时间范围0s~600.00s 步长0.01s
¨ 反时限过流保护
反时限相间过流曲线满足以下四条IEC曲线,保护动作后定时返回。
¨ 自动重合闸保护
重合次数1~3次可选择
操作循环:分-0.1s-合分-3s-合分-6s合分-60s恢复
重合间隔时间:一次重合间隔 0~600.00s 步长0.01s
二次重合间隔 0~600.00s 步长0.01s
三次重合间隔 0~600.00s 步长0.01s
¨ 加速段保护
手合断路器于故障点后,断路器加速跳闸并闭锁合闸,保护范围和时间连续可调。
保护范围0.2In~20In 步长0.01A
时间范围0s~600.00s 步长0.01s
¨ 开关本体信号采集以及特别要求的非电量保护功能
轻瓦斯告警,重瓦斯跳闸保护
¨ 各保护值和保护时间均可通过操作面板液晶调整
3.3 信号量监测
¨ 断路器工作状态检测(分/合位置)
¨ 控制回路电压检测,低电压时告警并闭锁合,分闸操作
¨ 电池欠压告警
¨ 无源DC110V以上开入电压,光电隔离,抗干扰能力强
¨ 共8路开关量信号输入
3.4 测量功能项目
额定值(二次侧输入值)
精度
最大过载倍数
系统电压
220V
0.5%
1.5倍
三相保护电流
Ia,Ib,Ic
5A或1A
1.0%
20倍
系统频率
50Hz
±0.02Hz
开关操作次数
各测量量均可通过操作面板液晶显示
3.5 历史操作存盘
¨ SOE记录:对线路上发生的各种重要信息以及用户的操作信息均进行记录并存盘,带时标,较小分辨率可达2ms。可循环存储64组SOE事件。
¨ 可记录线路保护时刻电流值,带时标。
¨ SOE事件可于面板液晶查询,也可通过远方通信查询。
3.6 自诊断保护功能
¨ 装置自检:RAM,FLASH,UART,A/D,控制回路电压等定期自检。出现任何故障,均通过面板告警显示,并闭锁相应操作。
¨ 接收主站或子站的对时命令,与系统时钟保持同步,增强时间记录的可比性。
3.7 高防护等级
控制器箱体选用优良不锈钢材料,表面拉丝处理,外形美观大方。可以防止腐蚀,意外损伤,紫外线伤害,以及高频衰减。户外壁挂式安装,具有良好的防护能力。防护等级不低于IP54。
3.8 通信方式
¨ 控制器配有标准RS232通信口,可于本地或远方通过串口协议通信,通信协议支持IEC870-5-101等规约。
¨ 控制器选配一路无线网卡接口,在距离本机500米内,可方便的进行微机查询和配置数据,无需上杆操作就可查询装置运行信息,适用于近距离网络通信传输。
4 典型应用方案
¨ 操作面板:位于箱体内上半部分,可于该面板操作开关合,分,以及察看运行状态;
¨ 液晶界面:控制器自带128×64点阵液晶,位于操作面板上,可方便查询与修改;
¨ 射频遥控:在距离本机50米内使用手持式遥控器可操作开关合,分;
¨ 无线网卡(选配):在距离本机500米内,可方便的进行微机查询和配置数据,无需上杆操作就可查询装置运行信息,适用于近距离网络通信传输。
5 安装示意图

